
QD型5-200T双梁桥式起重机是采用标准制造的系列产品。整机结构新颖、造型美观、工艺性好、操作灵活平稳、安全可靠。
主要特点:
(1)桥架采用箱形主梁,自动埋弧焊焊接。
(2)小车导电采用工字钢轨道电缆导电新装置,安全可靠。
(3)起升机构根据要求还可设另一套安全装置。增加可靠性。
(4)零部件标准化、系列化、通用化。
(5)操纵室视野开阔,全部机构均在操纵室内操纵,工作舒适操纵灵活。
本产品广泛适用于普通重物的装卸与搬运,还可配以多种专用吊其进行特殊作业,当露天 使用时带有防雨设备。表中数据为室内起重机用,室外起重机总重和轮压约增加5%,起重机按使用繁忙程度分为中级(A5)和重级(A6)两种工作制度。选用时应注明工作制度,工作环境的高、低气温及电源种类等技术要求。还可根据用户要求的跨度设计制造。
QD型5-50/10吨吊钩桥式起重机

技术规格 Technical Specifications
| 起重量 | t | 5 | 10 | ||||||||||||||||
| 跨度 | m | 10.5 | 13.5 | 16.5 | 19.5 | 22.5 | 25.5 | 28.5 | 31.5 | 10.5 | 13.5 | 16.5 | 19.5 | 22.5 | 25.5 | 28.5 | 31.5 | ||
| 起升高度 | m | 16 | |||||||||||||||||
| 速度 | 起升 | A5 | m/min | 11.3 | 8.5 | ||||||||||||||
| A6 | 15.6 | 13.3 | |||||||||||||||||
| 小车运行 | 37.2 | 43.8 | |||||||||||||||||
| 大车运行 | A5 | 90.7 | 91.9 | 90.7 | 91.9 | 84.7 | |||||||||||||
| A6 | 115.6 | 116.8 | 115.6 | 116.8 | 112.5 | ||||||||||||||
| 电动机 | 起升 | A5 | 型号/kW | YZR180L-6/13 | YZR180L-6/17 | ||||||||||||||
| A6 | YZR180L-6/15 | YZR200L-6/22 | |||||||||||||||||
| 小车运行 | YZR112M-6/1.8 | YZR132M-6/2.5 | |||||||||||||||||
| 大车运行 | A5 | YZR132M2-6/4×2 | YZR160M1-6/6.3×2 | YZR132M2-6/4×2 | YZR160M1-6/6.3×2 | ||||||||||||||
| A6 | YZR160M1-6/6.5×2 | YZR160M2-6/7.5×2 | YZR160M2-6/5.5×2 | YZR160M2-6/7.5×2 | |||||||||||||||
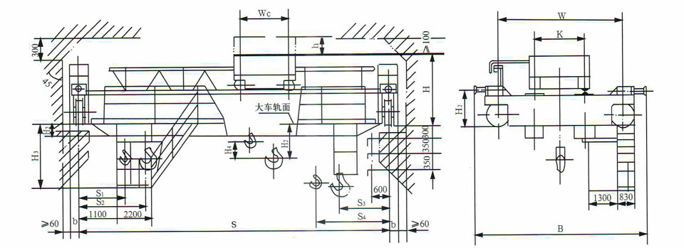
| 主要尺寸 | H | 1764 | 1876 | 1926 | |||||||||||||||
| H1 | 765+HO | 800+HO | 765+HO | 815+HO | |||||||||||||||
| H2 | -24 | 126 | 226 | 376 | 526 | 676 | 826 | 976 | -24 | 126 | 226 | 376 | 526 | 628 | 778 | 928 | |||
| H3 | 2526 | 2546 | 2596 | 2756 | 2906 | 3056 | 3206 | 3356 | 2526 | 2546 | 2596 | 2756 | 2906 | 3008 | 3158 | 3308 | |||
| H4 | 71 | 602 | 552 | ||||||||||||||||
| h | 870 | ||||||||||||||||||
| B | 5050 | 5200 | 6204 | 5700 | 5930 | ||||||||||||||
| W | 3400 | 3550 | 5000 | 4050 | 5000 | ||||||||||||||
| WC | 1100 | 1400 | |||||||||||||||||
| b | 230 | ||||||||||||||||||
| S1 | 800 | 1050 | |||||||||||||||||
| S2 | 1250 | 1300 | |||||||||||||||||
| 重量 | 小车 | A5 | t | 2.126 | 3.461 | ||||||||||||||
| A6 | 2.181 | 3.651 | |||||||||||||||||
| 总重 | A5 | 13 | 14.2 | 16 .1 | 18.6 | 21 | 25.3 | 28.5 | 31.4 | 14.5 | 16.5 | 19 | 21 | 23.1 | 28 | 31 | 34.4 | ||
| A6 | 13 | 14.5 | 16.3 | 19 | 21.4 | 25.5 | 28.7 | 31.6 | 15 | 17 | 20 | 21 | 23.2 | 28 | 31.3 | 34.7 | |||
| 轮压 | A5 | t | 8 | 8.5 | 9.1 | 9.8 | 10.4 | 11.7 | 12.5 | 13.2 | 10.9 | 11.5 | 12.3 | 12.9 | 13.6 | 14.9 | 15.8 | 16.6 | |
| A6 | 8.5 | 9.1 | 9.2 | 10.4 | 11.1 | 12.5 | 13.3 | 13.8 | 11.1 | 11.8 | 12.6 | 13.1 | 13.8 | 15.4 | 16.3 | 17.1 | |||
| 荐用钢轨 | 38kg/m | 43kg/m | |||||||||||||||||
| 电源 | 三相交流 380V 50Hz | ||||||||||||||||||
注:表中数据为室内起重机用,室外起重机总重和轮压约增5%,HO≤250(HO为大车缓冲器增加高度)。
| 起重量 | t | 16/3.2 | 20/5 | ||||||||||||||||||
| 跨度 | m | 10.5 | 13.5 | 16.5 | 19.5 | 22.5 | 25.5 | 28.5 | 31.5 | 10.5 | 13.5 | 16.5 | 19.5 | 22.5 | 25.5 | 28.5 | 31.5 | ||||
| 起升高度 | 主 | 16 | 12 | ||||||||||||||||||
| 副 | 18 | 14 | |||||||||||||||||||
| 速度 | 起升 | 主 | A5 | m/min | 7.9 | 7.2 | |||||||||||||||
| A6 | 13 | 12.3 | |||||||||||||||||||
| 副 | A5 | 16.7 | 19.5 | ||||||||||||||||||
| A6 | |||||||||||||||||||||
| 小车运行 | 44.6 | ||||||||||||||||||||
| 大车运行 | A5 | 84.7 | 87.6 | 84.7 | 87.6 | ||||||||||||||||
| A6 | 112.5 | 101.4 | 112.5 | 101.4 | |||||||||||||||||
| 电动机 | 起升 | 主 | A5 | kw | YZR225M-8/26 | ||||||||||||||||
| A6 | YZR250M1-6/37 | YZR250M1-6/45 | |||||||||||||||||||
| 副 | YZR180L-8/13 | YZR180L-6/17 | |||||||||||||||||||
| 小车运行 | YZR132M2-6/4 | ||||||||||||||||||||
| 大车运行 | A5 | YZR160M1-6/6.3×2 | YZR160M2-6/8.5×2 | YZR160M1-6/6.3×2 | YZR160M2-6/8.5×2 | ||||||||||||||||
| A6 | YZR160M2-6/7.5×2 | YZR160L-6/11×2 | YZR160M2-6/7.5×2 | YZR160L-6/11×2 | |||||||||||||||||
| 主要尺寸 | H | 2095 | 2185 | 2097 | 2187 | ||||||||||||||||
| H1 | 2520 | 255 | 2620 | 2770 | 2920 | 3070 | 3220 | 2520 | 2524 | 2554 | 2624 | 2772 | 2992 | 3072 | 3222 | ||||||
| H2 | 850+HO | 940+HO | 850+HO | 940+HO | |||||||||||||||||
| H3 | 729 | 639 | 701 | 611 | |||||||||||||||||
| H4 | 770 | 496 | |||||||||||||||||||
| H | A5 | 720 | |||||||||||||||||||
| A6 | 820 | ||||||||||||||||||||
| K | 2000 | ||||||||||||||||||||
| B | A5 | 5940 | 5944 | 6434 | 5940 | 5944 | 6434 | ||||||||||||||
| A6 | 6274 | 7004 | 6274 | 6835 | 7004 | ||||||||||||||||
| W | A5 | 4000 | 4100 | 5000 | 4000 | 4100 | 5000 | ||||||||||||||
| A6 | 4400 | 4400 | |||||||||||||||||||
| Wc | 2400 | ||||||||||||||||||||
| b | 230 | 260 | 230 | 260 | |||||||||||||||||
| H2 | 80 | 180 | 240 | 390 | 540 | 690 | 840 | 80 | 84 | 184 | 244 | 392 | 542 | 692 | 842 | ||||||
| S1 | 1040 | 1030 | |||||||||||||||||||
| S2 | 1850 | 1900 | |||||||||||||||||||
| S3 | 1500 | 1450 | |||||||||||||||||||
| S4 | 2310 | 2320 | |||||||||||||||||||
| 重量 | 小车 | A5 | t | 6.277 | 6.856 | ||||||||||||||||
| A6 | 6.427 | 7.18 | |||||||||||||||||||
| 总重 | A5 | 19.2 | 20.3 | 23.4 | 26.4 | 28.8 | 33.1 | 36.4 | 39.5 | 20 | 22 | 24 | 28 | 30.3 | 34.7 | 38.3 | 41.5 | ||||
| A6 | 20 | 21.5 | 23.6 | 28 | 30.4 | 34.5 | 38 | 41.3 | 21 | 23 | 25.2 | 30 | 32.5 | 36.8 | 40.6 | 44.2 | |||||
| 轮压 | A5 | t | 14.6 | 15.5 | 16.3 | 18.8 | 19.3 | 20.5 | 21.4 | 22.3 | 16.5 | 17.6 | 18.5 | 20.7 | 21.6 | 23 | 23.9 | 24.9 | |||
| A6 | 15.5 | 16.4 | 17.3 | 19.4 | 20.3 | 21.4 | 22.3 | 23.2 | 17.7 | 18.8 | 19.9 | 22.1 | 23.3 | 24.3 | 25.5 | 26.5 | |||||
| 荐用钢轨 | 43kg/m QU70 | ||||||||||||||||||||
| 电源 | 三相交流380V 50HZ | ||||||||||||||||||||
| 起重量 | t | 32/5 | 50/10 | |||||||||||||||||
| 跨度 | m | 10.5 | 13.5 | 16.5 | 19.5 | 22.5 | 25.5 | 28.5 | 31.5 | 10.5 | 13.5 | 16.5 | 19.5 | 22.5 | 25.5 | 28.5 | 31.5 | |||
| 起升高度 | 主 | m | 16 | 12 | ||||||||||||||||
| 副 | 18 | 16 | ||||||||||||||||||
| 速度 | 起升 | 主 | A5 | m/min | 7.5 | 5.9 | ||||||||||||||
| A6 | 9.5 | 7.8 | ||||||||||||||||||
| 副 | A5 | 19.5 | 13.2 | |||||||||||||||||
| A6 | 19.5 | 13.2 | ||||||||||||||||||
| 小车运行 | 42.4 | 38.5 | ||||||||||||||||||
| 大车运行 | A5 | 87.6 | 74.2 | 74.6 | 85.9 | |||||||||||||||
| A6 | 101.4 | 101.8 | 86.8 | 87.3 | ||||||||||||||||
| 电动机 | 起升 | 主 | A5 | kW | YZR280S-10/42 | YZR280M-10/55 | ||||||||||||||
| A6 | YZR280M-8/55 | YZR315S-8/75 | ||||||||||||||||||
| 副 | YZR180-6-17 | YZR200L-6-26 | ||||||||||||||||||
| 小车运行 | YZR160M1-6/6.3 | YZR160M2-6/8.5 | ||||||||||||||||||
| 大车运行 | A5 | YZR160M2-6/8.5×2 | YZR160L-6/13×2 | YZR180L-6/13×2 | ||||||||||||||||
| A6 | YZR160L-6/11×2 | YZR180L-6/11×2 | YZR200L-6/15×2 | |||||||||||||||||
| 主要尺寸 | H | 2343 | 2345 | 2475 | 2726 | 2090 | 2732 | |||||||||||||
| H1 | 2580 | 2586 | 2616 | 2646 | 2796 | 2946 | 3096 | 3196 | 2525 | 2531 | 2534 | 2634 | 2784 | 2934 | 2084 | 3184 | ||||
| H2 | 940+HO | 1035+HO | 1070+HO | 1090+HO | ||||||||||||||||
| H3 | 603 | 599 | 469 | 950 | 948 | 942 | ||||||||||||||
| H4 | 790 | 948 | ||||||||||||||||||
| h | 820 | 675 | ||||||||||||||||||
| B | 6474 | 6620 | 6920 | 6724 | 6824 | 7144 | ||||||||||||||
| W | 4650 | 4700 | 5000 | 4800 | 5000 | |||||||||||||||
| WC | 2800 | 3580 | ||||||||||||||||||
| b | 260 | 300 | ||||||||||||||||||
| S1 | 1070 | 1005 | ||||||||||||||||||
| S2 | 2050 | 2200 | ||||||||||||||||||
| S3 | 1700 | 2000 | ||||||||||||||||||
| S4 | 2680 | 3195 | ||||||||||||||||||
| 重量 | 小车 | A5 | t | 10.9 | 15.5 | |||||||||||||||
| A6 | 11.5 | 16 | ||||||||||||||||||
| 总重 | A5 | 27 | 29 | 32.1 | 35.6 | 40 | 45 | 49.2 | 53 | 35.3 | 37.8 | 42 | 46.1 | 50 | 55.6 | 60 | 65 | |||
| A6 | 28 | 30.3 | 33.4 | 38.6 | 43 | 47 | 50.6 | 55.3 | 36.1 | 39 | 43.3 | 47.7 | 51.7 | 57.6 | 61.7 | 67.3 | ||||
| 轮压 | A5 | t | 24.8 | 26.4 | 27.8 | 30.1 | 31.1 | 33.1 | 34.4 | 35.4 | 36.5 | 39.9 | 42.0 | 43.0 | 45.6 | 47.4 | 48.7 | 50.3 | ||
| A6 | 26.4 | 28.2 | 29.6 | 31.0 | 32.4 | 34.0 | 35.0 | 36.4 | 37.9 | 40.3 | 42.5 | 44.4 | 46.0 | 47.8 | 49.2 | 50.8 | ||||
| 荐用钢轨 | QU70 □90×90 | QU80 □100×100 | ||||||||||||||||||
| 电源 | 三相交流 380V 50Hz | |||||||||||||||||||
QD型75/20吨吊钩桥式起重机

技术规格 Technical Specifications
| 起重量 | t | 75/20 | ||||||||
| 跨度 | m | 13.5 | 16.5 | 19.5 | 22.5 | 25.5 | 28.5 | 31.5 | ||
| 起升高度 | m | 主12/副23 | ||||||||
| 速度 | 起升 | A3 | m/min | 主起升1.27、副起升9.2 | ||||||
| A5 | 主起升6.2、副起升9.2 | |||||||||
| 小车运行 | A3 10.3/A5 35.2 | |||||||||
| 大车运行 | A3 | 30.6 | ||||||||
| A5 | 66.7 | |||||||||
| 电动机 | 起升 | A3 | 型号/kW | 主起升:YZR200L-6/22、副起升:YZR250M1-8/30 | ||||||
| A5 | 主起升:YZR315M-10/75、副起升:YZR250M1-8/30 | |||||||||
| 小车运行 | YZR160M1-6/5.5 | |||||||||
| 大车运行 | A3 | 2~YZR180L1-8/2×11 | ||||||||
| A5 | 2~YZR180L1-6/2×15 | 2~YZR220L1-6/2×22 | ||||||||
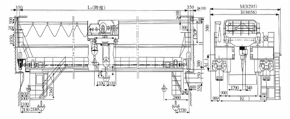
| 主要尺寸(m) | B | 8056 | ||||||||
| M | 8295 | |||||||||
| K | 5500 | |||||||||
| H | 3469 | 3476 | 3481 | 3484 | 3709 | 3715 | 3725 | |||
| A | 1200 | |||||||||
| H1 | 830 | 826 | 824 | 824 | 604 | 598 | 594 | |||
| F | -10 | -10 | 138 | 288 | 118 | 124 | 128 | |||
| 重量 | 小车 | A3 | t | 18 | ||||||
| A5 | 19.523 | |||||||||
| 总重 | A3 | 56.3 | 60.2 | 65.2 | 70.9 | 75.8 | 82.4 | 88.4 | ||
| A5 | 61.9 | 65.8 | 70.1 | 76.6 | 81.5 | 88.1 | 94.1 | |||
| 轮压 | A3 | t | 266 | 278 | 285 | 294 | 305 | 316 | 326 | |
| A5 | 274 | 287 | 299 | 309 | 318 | 330 | 341 | |||
| 荐用钢轨 | 50kg/m 、QU80 | |||||||||
| 电源 | 三相交流 380V 50Hz | |||||||||
QD型100/20吨吊钩桥式起重机

技术规格 Technical Specifications
| 起重量 | t | 100/20 | ||||||||
| 跨度 | m | 13 | 15 | 19 | 22 | 25 | 28 | 31 | ||
| 起升高度 | m | 主12/副22 | ||||||||
| 速度 | 起升 | A5 | m/min | 主起升4.97、副起升9.2 | ||||||
| 小车运行 | 35.7 | |||||||||
| 大车运行 | A5 | 66.7 | ||||||||
| 电动机 | 起升 | A5 | 型号/kW | 主起升:YZR315M-10/75、副起升:YZR250M1-8/30 | ||||||
| 小车运行 | YZR180L-6/15 | |||||||||
| 大车运行 | A5 | 2~YZR200L-6/2×22 | ||||||||
| 主要尺寸(m) | B | 8928 | ||||||||
| M | 9095 | |||||||||
| K | 6300 | |||||||||
| H | 3540 | 35478 | 3550 | 3553 | 3782 | 3789 | 3800 | |||
| A | 1200 | |||||||||
| H1 | 1481 | 1477 | 1477 | 1477 | 1251 | 1247 | 1239 | |||
| F | -10 | -10 | 190 | 340 | 124 | 130 | 138 | |||
| 重量 | 小车 | A5 | t | 32.4 | ||||||
| 总重 | A5 | 68.9 | 73.3 | 78.3 | 85.6 | 90.2 | 97.4 | 107.9 | ||
| 轮压 | A5 | t | 333 | 345 | 362 | 370 | 383 | 398 | 410 | |
| 荐用钢轨 | 50kg/m 、QU80 | |||||||||
| 电源 | 三相交流 380V 50Hz | |||||||||
QD型125/32-250/50吨吊钩桥式起重机

技术规格 Technical Specifications
| 工作制度(中级) A1~A6 | |||||||||||||||||
| 主要技术参数 | |||||||||||||||||
| 额定起重量 | 主钩 | t | 125 | 125 | |||||||||||||
| 副钩 | 32 | 32 | |||||||||||||||
| 跨度 | m | 13 | 16 | 19 | 22 | 25 | 28 | 31 | 13 | 16 | 19 | 22 | 25 | 28 | 31 | ||
| 起升高度 主/副 | m | 20/22 | 30/32 | ||||||||||||||
| 速度 | 起升 | 主 | m/min | 4.4 | 4.4 | ||||||||||||
| 副 | 9.4 | 9.4 | |||||||||||||||
| 运行 | 小车 | 41.4 | 41.4 | ||||||||||||||
| 大车 | 78 | 68 | 78 | 68 | |||||||||||||
| 电动机 | 起升 | 主 | 型号/kW | YZR335LA/100 | YZR335LA/100 | ||||||||||||
| 副 | YZR280M/52 | YZR280M/52 | |||||||||||||||
| 运行 | 小车 | YZR180L/15 | YZR180L/15 | ||||||||||||||
| 大车 | YZR225M/30×2 | YZR225M/30×2 | |||||||||||||||
| 总容量 | KW | 227 | |||||||||||||||
| 轮压 | t | 40.5 | 43.5 | 44.5 | 46.5 | 48 | 50 | 52.5 | 41.5 | 44 | 45.5 | 47.5 | 48.5 | 50.5 | 53 | ||
| 自重 | 小车 | 30.6 | 42.6 | ||||||||||||||
| 总重 | 84 | 94 | 100 | 107 | 115 | 123 | 141 | 89 | 98 | 103 | 112 | 120 | 128 | 146 | |||
| 主要尺寸(mm) | 小车轨距 | LT | 4400 | 5800 | |||||||||||||
| 小车轮距 | KT | 2920 | 2920 | ||||||||||||||
| 大车内侧轮距 | T | 3560 | 4960 | ||||||||||||||
| 主梁底面至轨道面距离 | F | 70 | 500 | 520 | 605 | 70 | 500 | 520 | 605 | ||||||||
| 起重机宽度 | B | 9200 | 10000 | ||||||||||||||
| 轨道中心至起重机外端距离 | B1 | 400 | 460 | 400 | 460 | ||||||||||||
| 轨面至起重机顶 端距离 | H | 3931 | 4230 | 3931 | 4230 | ||||||||||||
| 轨面至缓冲器距离 | H1 | 1200 | 1200 | ||||||||||||||
| 车轮中心至缓冲器外端距离 | A | 2400 | 2400 | ||||||||||||||
| 操纵室底面至轨道面距离 | H3 | 大2900 | 大2900 | ||||||||||||||
| 极限位置(mm) | 吊钩至轨面距离 | 主钩 | h | 1230 | 905 | 1230 | 905 | ||||||||||
| 副钩 | h1 | 240 | -85 | 240 | 85 | ||||||||||||
| 吊钩至轨面中心距离 | 主钩 | L1 | 2150 | ||||||||||||||
| L2 | 2800 | ||||||||||||||||
| 副钩 | L1 | 3405 | |||||||||||||||
| L2 | 1545 | ||||||||||||||||
| 荐用钢轨 | QU100 | ||||||||||||||||
| 电源 | 三相交流 380V 50Hz | ||||||||||||||||
| 工作制度(中级) JC=25% | |||||||||||||||||
| 主要技术参数 | |||||||||||||||||
| 额定起重量 | 主钩 | t | 160 | 160 | |||||||||||||
| 副钩 | 50 | 50 | |||||||||||||||
| 跨度 | m | 13 | 16 | 19 | 22 | 25 | 28 | 31 | 13 | 16 | 19 | 22 | 25 | 28 | 31 | ||
| 起升高度 主/副 | m | 30/32 | 22/26 | ||||||||||||||
| 速度 | 起升 | 主 | m/min | 3.7 | 2.8 | ||||||||||||
| 副 | 9.8 | 9.8 | |||||||||||||||
| 运行 | 小车 | 28 | 28 | ||||||||||||||
| 大车 | 68 | 66 | 66 | 58 | |||||||||||||
| 电动机 | 起升 | 主 | 型号/kW | YZR355LB/132 | YZR355LB/132 | ||||||||||||
| 副 | YZR355M/90 | YZR355M/90 | |||||||||||||||
| 运行 | 小车 | YZR250MA/22 | YZR250MA/22 | ||||||||||||||
| 大车 | YZR200L/15×4 | YZR250L/30×2 | YZR200L/15×4 | ||||||||||||||
| 总容量 | KW | 304 | |||||||||||||||
| 轮压 | t | 51 | 54.5 | 29.5 | 30.5 | 31.5 | 32.5 | 33.5 | 31 | 33 | 34 | 35.5 | 37 | 38 | 39 | ||
| 自重 | 小车 | 63.3 | 66.5 | ||||||||||||||
| 总重 | 112 | 122 | 144 | 151 | 160 | 176 | 187 | 138 | 140 | 147 | 156 | 176 | 183 | 196 | |||
| 主要尺寸(mm) | 小车轨距 | LT | 5500 | 5500 | |||||||||||||
| 小车轮距 | KT | 3100 | 3100 | ||||||||||||||
| 大车内侧轮距 | T | 4660 | 2460 | 2460 | |||||||||||||
| 主梁底面至轨道面距离 | F | 90 | 510 | 150 | 230 | 145 | 250 | ||||||||||
| 起重机宽度 | B | 10380 | 10380 | ||||||||||||||
| 轨道中心至起重机外端距离 | B1 | 400 | 460 | 460 | |||||||||||||
| 轨面至起重机顶 端距离 | H | 4505 | 4890 | 5190 | 1885 | 5205 | |||||||||||
| 轨面至缓冲器距离 | H1 | 1200 | 1200 | ||||||||||||||
| 车轮中心至缓冲器外端距离 | A | 2440 | 2440 | ||||||||||||||
| 操纵室底面至轨道面距离 | H3 | 大 2900 | 大 2900 | ||||||||||||||
| 极限位置(mm) | 吊钩至轨面距离 | 主钩 | h | 1465 | 1085 | 780 | 1090 | 875 | |||||||||
| 副钩 | h1 | 440 | 205 | -105 | 60 | 260 | |||||||||||
| 吊钩至轨面中心距离 | 主钩 | L1 | 2800 | ||||||||||||||
| L2 | 2500 | ||||||||||||||||
| 副钩 | L1 | 4280 | |||||||||||||||
| L2 | 1000 | ||||||||||||||||
| 荐用钢轨 | QU100 | ||||||||||||||||
| 电源 | 三相交流 380V 50Hz | ||||||||||||||||
| 工作制度(中级) JC=25% | ||||||||||
| 主要技术参数 | ||||||||||
| 额定起重量 | 主钩 | t | 200 | |||||||
| 副钩 | 50 | |||||||||
| 跨度 | m | 13 | 16 | 19 | 22 | 25 | 28 | 31 | ||
| 起升高度 主/副 | m | 32/32 | ||||||||
| 速度 | 起升 | 主 | m/min | 3.1 | ||||||
| 副 | 9.8 | |||||||||
| 运行 | 小车 | 28 | ||||||||
| 大车 | 58 | 43 | ||||||||
| 电动机 | 起升 | 主 | 型号/kW | YZR335LB/132 | ||||||
| 副 | YZR335M/90 | |||||||||
| 运行 | 小车 | YZR250MA/22 | ||||||||
| 大车 | YZR200L/15×4 | |||||||||
| 总容量 | KW | 304 | ||||||||
| 自重 | 小车 | 74 | ||||||||
| 总重 | 146 | 152 | 160 | 165 | 185 | 193 | 207 | |||
| 154主要尺寸(mm) | 小车轨距 | LT | 6700 | |||||||
| 小车轮距 | KT | 3700 | ||||||||
| 大车内侧轮距 | T | 3660 | ||||||||
| 主梁底面至轨道面距离 | F | 145 | 250 | |||||||
| 起重机宽度 | B | 11580 | ||||||||
| 轨道中心至起重机外端距离 | B1 | 460 | ||||||||
| 轨面至起重机顶 端距离 | H | 5030 | 5345 | |||||||
| 轨面至缓冲器距离 | H1 | 1200 | ||||||||
| 车轮中心至缓冲器外端距离 | A | 2400 | ||||||||
| 操纵室底面至轨道面距离 | H3 | 大2900 | ||||||||
| 极限位置(mm) | 吊钩至轨面距离 | 主钩 | h | 1290 | 975 | |||||
| 副钩 | h1 | 60 | -260 | |||||||
| 吊钩至轨面中心距离 | 主钩 | L1 | 3200 | |||||||
| L2 | 2690 | |||||||||
| 副钩 | L1 | 4690 | ||||||||
| L2 | 1200 | |||||||||
| 荐用钢轨 | QU100 | |||||||||
| 电源 | 三相交流 380V 50Hz | |||||||||
| 上一条:QD型双梁桥式起重机 |




